新门内部资料免费提供,2025年天天彩免费大全,老版跑狗图资料,新天天免费资料大全,新澳2025年全年开奖结果查询

欢迎访问启东春立机械设备有限公司官网!
邮箱地址:cl@qdclgs.com
 
SQ蒸汽分水器
产品特性
型蒸汽分水器是用在工艺管道上用来分离蒸汽中水滴的特种管道附件。凡需要除掉蒸汽中水滴的地方,在其人口前的管道上,应设置蒸汽分水器。如:进装置的蒸汽主管上、石油化工装置内的饱和蒸汽在并入相应管网前,蒸汽进入汽轮机之前,应设置蒸汽分水器。
我公司生产的蒸汽分水器参照《石油化工装置工艺管道安装设计手册》第二篇管道器材上的要求定型制造,设计压力为1.3MPa,设计温度为300℃,其分离面积已按蒸汽接管尺寸予以考虑,使用时可直接根据蒸汽管径选用。


产品规格
规格型号
(施工图图号)
蒸汽入口a
蒸汽出口b
排气口c
排水口d
DNmm
PNMPa
DNmm
PNMPa
DNmm
PNMPa
DNmm
PNMPa
SQ-50(S5-1-1)
50
1.57
50
1.57
Rc3/4
15.68
20
1.57
SQ-80(S5-1-2)
80
80
SQ-100(S5-1-3)
100
100
SQ-150(S5-1-4)
150
150
25
SQ-200(S5-1-5)
200
200
SQ-250(S5-1-6)
250
250
SQ-300(S5-1-7)
300
300
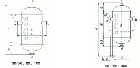
外 形 尺 寸
D
H
H1
H2
H3
H4
Q
n-d1
SQ-50(S5-1-1)
159
712
300
215
100
SQ-80(S5-1-2)
273
896
400
258
120
SQ-100(S5-1-3)
377
1046
500
284
150
SQ-150(S5-1-4)
500
1758
650
308
180
290
464
3-F20
SQ-200(S5-1-5)
700
1990
750
375
250
355
688
3-F20
SQ-250(S5-1-6)
800
2040
750
400
270
380
788
3-F20
SQ-300(S5-1-7)
1000
2292
900
452
300
430
986
3-F24

订货说明

1、本系列设备已按蒸汽管尺寸考虑了相应的分离面积,用户直接根据蒸汽管径选用。

2、本系列设备接管法兰按HG20592—97标准,也可提供GB、SH、J6、ANSI、JIS等标准管法兰,但订货时,用户必须注明。

  3、本系列设备材质为碳钢,用户如选用不锈钢等材料,订货时应注明。

主站蜘蛛池模板: 澳门彩历史开奖记录查询15期 | .澳门特马| 49333澳门免费资料| 香港今期出什么特马| 爱谷成人用品| 澳门金多宝版免费资料网| 澳门118开奖站(12码精准)| 澳门六合高手论坛| 2022高清国语免费观看| 物流 货物运输| 2022正版免费资料大全| 澳门金牛版免费资料网最新版下载| 澳门二四六天天彩二四六| 双鱼座女今日运势最准| 黄花女儿精准一肖| 24小时无人成人用品店赚钱吗| 招摇免费观看全集完整版高清 | 24小时成人用品无人店| 澳门精准免费资料何仙姑| 4949澳门今晚上开奖| 澳门精准三肖三码%| 澳门资料大全 网站| 黑袍纠察队电视剧全集免费观看第一集| 48K澳门彩库开什么| 新澳门开奖2024年开奖结果| 守法公民高清完整免费观看| 新澳最新资料图| 2024年澳门历史开奖记录查询结果是什么 | 2024澳门十二生肖开奖结果查询历史| 626969澳门资料免费看| 最新电视剧电影免费在线观看| 国内鲜活货物运输保险条款(2009)版 | 当下最火爆的网络游戏| 2023年澳彩开奖记录查询表| 开马网站2024澳门| 新澳门内部资料精准大全生肖卡 | 香港二四六开彩资料大全302期| 澳彩资料网5-12不正| 庆余年2免费观看在线播放星辰影院| 邪恶力量第一季全集高清免费观看| 买12生肖马的网站|