新门内部资料免费提供,2025年天天彩免费大全,老版跑狗图资料,新天天免费资料大全,新澳2025年全年开奖结果查询

欢迎访问启东春立机械设备有限公司官网!
邮箱地址:cl@qdclgs.com
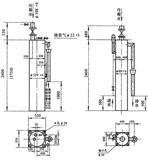
MGPB型系列煤气冷凝水排水器
1、MGPB型排水器适用于不同压力的各种工业煤气架空管道。
2、该排水器必须采用压力给水,给水量为2-4t/h。
3、排水器上设有蒸汽或氮气吹扫头,为防止煤气窜入蒸汽或氮气管内只有在通蒸汽或氮气时,才能把蒸汽或氮气与煤气和管道连通,停用时必须断开或堵盲板。
4、排出器冷凝水应集中处理。
5、设在露天的排水器有寒冷地区要采取防冻措施,设在室内的应有良好的自然通风。
MGPB型排水器系列规格选用表
型 号
允许煤气
最高压力
(KPa)
水封
高度
mm
外形尺寸(mm)
上水管
管径DN
(mm)
上水管
管径DN
(mm)
吹扫管
管径
Φ×δmm

煤气冷凝
水管径
Φ×δmm

筒外径Φ
筒高H
MGPB-I
14.01
2000
426
2400
20
80
Φ159×5
MGPB-II
21.48
2700
529
1750
25
80
Φ22×3
Φ108×6
MGPB-III
34.23
4000
529
2700
25
80
Φ22×3
Φ108×6
                MGPB-II、MGPB-III型    MGPB-I型
 
主站蜘蛛池模板: 唐朝诡事录电视剧第一集| 短跑比赛在哪里报名| 澳门944cc天天彩凤凰| 我在天堂等你免费观看电视剧| 真不会轻易狗带| 澳门今晚开奖结果预测| 246期澳门开奖结果| 澳码精准100%一肖一码最准肖| 不用花钱还能挣钱的网络游戏| 香港历史记录近15期查询结果 | 香港高清狗跑图片| 可以免费追剧的软件不用vip| 2022年澳门正版资料大全更新时间| 刘伯温澳门免费料论坛| 2021年澳门开奖结果+开奖记录| 什么软件看追剧全部免费| 莫扎特与鲸鱼为啥不能看| 澳门六开奖结果2023开奖现场直播| 2024澳门资料大全政版| 旧澳门六开彩资料查询| 澳‘门马会全真| 奥门六合资料| 澳门结果2024开奖记录查询| 陈老师一码三中三| 789电影网科幻电影大全| 免vip在线追剧电视剧网站2021| 2024年澳门资料论坛039期| 免费电影电视在线观看| 新澳门开奖结果2023开奖记录今晚| 118开奖网站...澳门| 261111香港开奖记录| 电影爱情电影韩国| 香港二四六308kcm图库电脑版| 2024年管家婆一肖一码 | 澳门一肖一码100准最准| 二进制恋爱免费观看全集完整版高清| 免费观看电影电视剧的网站| 不用网络的游戏双人| 与君歌电视剧免费版在线观看 | 新奥六开彩资料2024波叔| 澳门一码一肖100%精准一级|