|  | 
        
          | PW型煤气管道水封器 | 
        
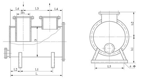
          | 1、产品用途 本产品设在煤气清洗 设施快速水封切断阀的下方,用于去除煤气中的冷凝水。
 2、结构特点
 2.1产品由水平管(管径D)和两根垂直短管组成“U”形水封,水平管两端用钢板封堵;水平管底部的支座,可与钢支架安装固定。
 2.2本产品水平管端部设有由盲板密封的排污口;用户可根据需要换上相应口径的闸阀或球阀进行排污。
 2.3开始使用本产品时,先将出口管端打开灌水至溢出为止,然后密封。
 2.4产品结构如下图
 | 
        
          |  | 
        
          | 3、产品主要尺寸、重量见下表 | 
        
          | 
              
                | 型号 | DN | D | L | L1 | L2 | L3 | L4 | L5 | 4-Φ | h1 | h2 | W(kg) |  
                | PW30-60 | 100 | 300 | 600 | 400 | 100 | 350 | 125 | 300 | 18 | 330 | 300 | 88.0 |  
                | PW35-65 | 125 | 350 | 650 | 400 | 125 | 300 | 175 | 320 | 18 | 330 | 300 | 107.0 |  
                | PW40-80 | 150 | 350 | 800 | 530 | 135 | 400 | 200 | 300 | 20 | 350 | 350 | 143.0 |  
                | PW40-80Ⅱ | 125/150 | 400 | 830 | 530 | 150 | 300 | 110 | 300 | 20 | 350 | 350 | 150.0 |  
                | PW40-90Ⅱ | 2-65 | 400 | 900 | 600 | 150 | 600 | 150 | 370 | 20 | 350 | 350 | 136.0 |  
                | PW60-90 | 200 | 600 | 900 | 500 | 200 | 450 | 225 | 700 | 22 | 500 | 450 | 255.0 |  
                | PW60-100 | 300 | 600 | 1000 | 600 | 200 | 500 | 250 | 700 | 22 | 500 | 500 | 302.0 |  
                | PW60-115 | 300 | 600 | 1150 | 730 | 210 | 550 | 300 | 700 | 22 | 500 | 500 | 308.0 |  
                | PW60-125Ⅱ | 150/200 | 600 | 1250 | 750 | 250 | 650 | 300 | 700 | 22 | 500 | 500 | 290.0 |  
                | PW70-100 | 250 | 700 | 1000 | 600 | 200 | 500 | 250 | 500 | 22 | 520 | 530 | 325.0 |  | 
        
          | 说明:①Ⅱ型为双管式(即二支进气管) ②垂直管的进口法兰按JB/T81-94,PN=1.6MPa选用。用户如需非本表所列规格的煤气管道水封器,本厂可代为设计和制造。
 | 
        
          |  |