新门内部资料免费提供,2025年天天彩免费大全,老版跑狗图资料,新天天免费资料大全,新澳2025年全年开奖结果查询

欢迎访问启东春立机械设备有限公司官网!
邮箱地址:cl@qdclgs.com
MAPB、1PGB型系列煤气冷凝水排水器(干式)
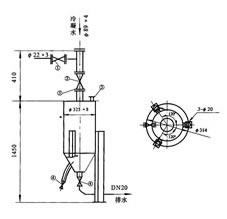
(一)MAPB-Ⅰ型干式排水器
1、本排水器适用于煤气加压机后高压焦炉煤气管道压力≤0.1MPa.
2、当人工排水时,①-④阀全部关闭,带防毒面具或背风向,打开阀⑤见水基本排尽立即关闭阀⑤,同时打开阀①、阀③。
3、当与管道一起正常投运时,仅开阀①和阀③,其余阀皆关闭。
4、当检修或吹扫时,关闭阀①阀②-⑤,从②阀接蒸汽或氮气置换。
5、煤气冷凝水接管法兰为JB81-59 PN1.0 DN50
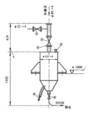
(二)MAPB-Ⅱ型干式排水器
1、本排水器适用于计算机压力0.9MPa脱硫脱奈高压焦炉煤气管道。
2、当人工排水时,①-③阀全部关闭,带防毒面具或背风向,打开阀④见水基本排尽,立即关闭阀④,同时打开阀①、阀③。
3、当干式排水器与管道一起正常投运时,仅开阀①和阀③,其余阀皆关闭。
4、当检修或吹扫时,关闭阀①或在阀后堵盲板,从阀②接蒸汽或氮气吹除。
5、本排水器接管法兰为JB81-59、PN1.6 DN50。
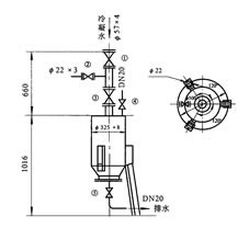
(三)1PGXB型干式悬挂式排水器
1、本排水器适用于南方地区,管径较小,排水量较少的煤气管道上,管道压力≤0.9MPa。若在寒冷地区,排水器应采取保温措施,悬挂高度不超过1m。
2、冷凝水排放操作步骤:
a、缓慢打开阀门①,如有冷凝水排出,则迅速关闭阀门①。
b、关闭阀门②。
c、打开底阀门④,(如底部阀门堵塞,则打开侧面阀门④),把水放到专用的筒内(冷凝水不必放尽)。
d、冷凝水排完后,严密关闭阀门④,再完全打开阀门②。
3、当排水器检测时,应先闭阀门②,打开管堵③,插上盲板⑤,放掉冷凝水,即可检修。
(四)1PGXB型干式落地式排水器
本设备除安装方式与1PGXB型不同外,其余使用方式与1PGXB型相同。
 
主站蜘蛛池模板: 2023澳门六开彩资料查询| 热烈在线观看免费完整版高清| 免费高清在线观看的电视剧| 一码一肖100准出| 香港最快最准资料免费2017-2| 罪恶的编年史中文在线观看| 2024澳门资料大全免费更新| 香港一肖一码期期准大肖中特 | 8769澳门天彩今晚开奖结果查询 | 6749澳门精准免费资料| 2023澳门免费资料大全精准版| 澳门4949澳门资料论坛| 2024一码一肖200期出什么| 今晚澳门必出准确生肖| 爱源成人用品怎么样| 3131电影网| 如此可爱的我们电视剧免费观看星辰影视| 广东鹰坛无错24码| 香港一肖中特期期公开 | 缘妙不可言图片| 比较简单的网络游戏| 奥门开奖结果+开奖结果2024年| 9528电影网| 斐济99℃爱情| 澳门最快开奖9494开奖记录表| 一码一肖100准版资料| 正版资料免费资料大全246| 老澳门资料大全正版资料2024年免费| 这就是灌篮第一季免费完整版高清| 致敬希斯莱杰| 789电影网科幻电影播放| 82期特码是什么| 中卫货运专线| 澳门金牛版论坛最新版下载| 澳门精准资料大全免费经典版更新 | 肝不好有什么症状| 维加斯的蜜月免费播放 | 2024年新奥开奖结果如何| 萤之光剧场版在线观看| 澳门六合总彩资料| 香港特马开奖开奖结果今天|